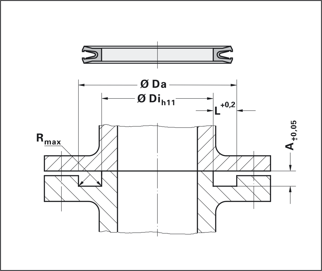
PTFE Lip Seal 2V3

PTFE lip seal, for flanges with outside pressure, also available with silicon filling for easier sterilisation.

Application Range
Pressure: ≤ 350 bar
Temperature: -120 °C / +225 °C
Standard Material: PTFE-comp.

Other materials are available for very high or very low operating temperatures. For detailled information, please look at the specific PDF catalogue or contact our application engineers.

Load product catalog Material Code
Material Code for PTFE Lips Seals with Spring
Material of Lip Seal Material of Profiled Spring Material of Filling Material Code
Material of Lip SealPTFE/Carbon (89T) Material of Profiled Spring1.4310 Material of Filling Material Code0021X
Material of Lip Sealmod. PTFE (25T) Material of Profiled Spring1.4310 Material of Filling Material Code0051X
Material of Lip Sealmod. PTFE (91T) Material of Profiled Spring1.4310 Material of Filling Material Code0023X
Material of Lip SealPTFE, pure (00T) Material of Profiled Spring1.4310 Material of Filling Material Code0022X
Material of Lip SealPTFE/Carbon (05T) Material of Profiled Spring1.4310 Material of Filling Material Code0048X
Material of Lip SealPE (03M) Material of Profiled Spring1.4310 Material of Filling Material Code0049X
Material of Lip SealPTFE/Ekonol (22T) Material of Profiled Spring1.4310 Material of Filling Material Code0032X
Material of Lip SealPTFE/Carbon Fibre (31T) Material of Profiled Spring1.4310 Material of Filling Material Code0053X
Material of Lip SealPTFE/PEEK (52T) Material of Profiled Spring1.4310 Material of Filling Material Code0100X
Material of Lip SealPTFE/Graphite (90T) Material of Profiled Spring1.4310 Material of FillingSilicone Material Code0050Y
Material of Lip SealPTFE/Carbon Fibre (31T) Material of Profiled Spring1.4310 Material of FillingSilicone Material Code0051Y
Material of Lip SealPTFE/Carbon (05T) Material of Profiled Spring1.4310 Material of FillingSilicone Material Code0052Y
Material of Lip SealPTFE/Ekonol (22T) Material of Profiled Spring1.4310 Material of FillingSilicone Material Code0053Y
Material of Lip Sealmod. PTFE (25T) Material of Profiled Spring1.4310 Material of FillingSilicone Material Code0054Y
Material of Lip SealPE (03M) Material of Profiled Spring1.4310 Material of FillingSilicone Material Code0055Y
Material of Lip SealPTFE/PEEK (52T) Material of Profiled Spring1.4310 Material of FillingSilicone Material Code0056Y
Material of Lip SealTFM (36T) Material of Profiled Spring1.4310 Material of FillingSilicone Material Code0057Y

Are you missing materials or dimensions?

Feel free to contact us!

Our sealing experts will be happy to advise you!

+49(201)86606-0 or vk@techno-parts.de

Filter

Di [mm] Da [mm] A [mm] L [mm]
Min:
Max:
Material selection
Material:
Material No.
V
Profile Di [mm] Da [mm] A [mm] L [mm] Material Mat. No. V Quantity
2V3 75.00 89.20 4.70 7.10 0008H / 1.4310 0055X 2
2V3 107.00 121.20 4.70 7.10 0005T / 1.4310 0048X 1
2V3 131.00 145.20 4.70 7.10 0005T / 1.4310 0048X 1
2V3 131.00 150.00 6.10 9.50 0005T / 1.4310 0048X 2
2V3 110.00 117.20 2.25 3.60 0005T / 1.4310 0048X 2
2V3 82.00 96.20 4.70 7.10 0005T / 1.4310 0048X 2
2V3 200.00 219.00 6.10 9.50 0005T / 1.4310 0048X 2
2V3 132.00 151.00 6.10 9.50 0025T / 1.4310 0051X 2
2V3 484.00 503.00 6.10 9.50 0005T / 1.4310 0048X 2
2V3 311.00 339.00 9.40 14.00 0005T / 1.4310 0048X 2
2V3 205.00 224.00 6.10 9.50 0005T / 1.4310 0048X 2
2V3 105.00 119.20 4.70 7.10 0025T / 1.4310 0051X 2
2V3 237.00 256.00 6.10 9.50 0003M / 1.4310 0049X 2
2V3 82.00 89.20 2.25 3.60 0005T / 1.4310 0048X 2
2V3 322.00 350.00 9.40 14.00 0005T / 1.4310 0048X 2
2V3 44.00 53.60 3.10 4.80 0005T / 1.4310 0048X 2
2V3 210.00 229.00 6.10 9.50 0025T / 1.4310 0051X 2
2V3 235.00 249.20 4.70 7.10 0025T / 1.4310 0051X 2
2V3 155.00 169.20 4.70 7.10 0005T / 1.4310 0048X 2
2V3 310.00 338.00 9.40 14.00 0088T / 1.4310 0064X 2
2V3 50.00 57.20 2.25 3.60 0005T / 1.4310 0048X 2
2V3 184.00 203.00 6.10 9.50 0003M / 1.4310 0049X 2
2V3 164.90 174.50 3.10 4.80 0005T / 1.4310 0048X 2
2V3 390.00 418.00 9.40 14.00 0088T / 1.4310 0064X 2