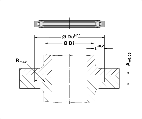
PTFE Lip Seal 1V8
PTFE lip seal for flanges with inside pressure and highest stress.
Application Range
Pressure: ≤ 500 bar
Temperature: -200 °C / +260 °C
Standard Material: PTFE-comp.
Other materials are available for very high or very low operating temperatures. For detailled information, please look at the specific PDF catalogue or contact our application engineers.
Load product catalog Material Code
Material Code for PTFE Lips Seals with Spring
| Material of Lip Seal | Material of Profiled Spring | Material of Filling | Material Code |
|---|---|---|---|
| Material of Lip SealPTFE/Carbon (89T) | Material of Profiled Spring1.4310 | Material of Filling– | Material Code0021X |
| Material of Lip Sealmod. PTFE (25T) | Material of Profiled Spring1.4310 | Material of Filling– | Material Code0051X |
| Material of Lip Sealmod. PTFE (91T) | Material of Profiled Spring1.4310 | Material of Filling– | Material Code0023X |
| Material of Lip SealPTFE, pure (00T) | Material of Profiled Spring1.4310 | Material of Filling– | Material Code0022X |
| Material of Lip SealPTFE/Carbon (05T) | Material of Profiled Spring1.4310 | Material of Filling– | Material Code0048X |
| Material of Lip SealPE (03M) | Material of Profiled Spring1.4310 | Material of Filling– | Material Code0049X |
| Material of Lip SealPTFE/Ekonol (22T) | Material of Profiled Spring1.4310 | Material of Filling– | Material Code0032X |
| Material of Lip SealPTFE/Carbon Fibre (31T) | Material of Profiled Spring1.4310 | Material of Filling– | Material Code0053X |
| Material of Lip SealPTFE/PEEK (52T) | Material of Profiled Spring1.4310 | Material of Filling– | Material Code0100X |
| Material of Lip SealPTFE/Graphite (90T) | Material of Profiled Spring1.4310 | Material of FillingSilicone | Material Code0050Y |
| Material of Lip SealPTFE/Carbon Fibre (31T) | Material of Profiled Spring1.4310 | Material of FillingSilicone | Material Code0051Y |
| Material of Lip SealPTFE/Carbon (05T) | Material of Profiled Spring1.4310 | Material of FillingSilicone | Material Code0052Y |
| Material of Lip SealPTFE/Ekonol (22T) | Material of Profiled Spring1.4310 | Material of FillingSilicone | Material Code0053Y |
| Material of Lip Sealmod. PTFE (25T) | Material of Profiled Spring1.4310 | Material of FillingSilicone | Material Code0054Y |
| Material of Lip SealPE (03M) | Material of Profiled Spring1.4310 | Material of FillingSilicone | Material Code0055Y |
| Material of Lip SealPTFE/PEEK (52T) | Material of Profiled Spring1.4310 | Material of FillingSilicone | Material Code0056Y |
| Material of Lip SealTFM (36T) | Material of Profiled Spring1.4310 | Material of FillingSilicone | Material Code0057Y |
Are you missing materials or dimensions?
Feel free to contact us!
Our sealing experts will be happy to advise you!
Filter
| Da [mm] | Di [mm] | A [mm] | |
|---|---|---|---|
| Min: | |||
| Max: |
| Material selection | |
|---|---|
| Material: | |
| Material No. |
| V | |
|---|---|
| Profile | Da [mm] | Di [mm] | A [mm] | Material | Mat. No. | V | Quantity |
|---|