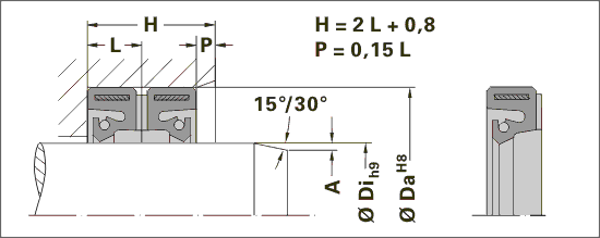
Shaft seal WM7

Shaft seal for heavy machine construction with radial lubrication grooves and lubrication groove on circumference, similar to WM5.

Versions:
WM7-A (standard)
WM7-B (covered spring)
WM7-C (friction optimised sealing lip)
WM7-D (covered spring and friction optimised sealing lip)

Application Range
Pressure: ≤ 0,5 bar
Sliding Speed: ≤ 15 m/s (NBR)
Temperature NBR: -30 °C / +100 °C (+120)*
Temperature HNBR: -40 °C / +150 °C (+175)*
Temperature VMQ: -50 °C / +200 °C (+250)*
Temperature FKM: -20 °C / +200 °C (+250)*
* temporarily

Other materials are available for very high or very low operating temperatures. For detailled information, please look at the specific PDF catalogue or contact our application engineers.

Load product catalog

Are you missing materials or dimensions?

Feel free to contact us!

Our sealing experts will be happy to advise you!

+49(201)86606-0 or vk@techno-parts.de