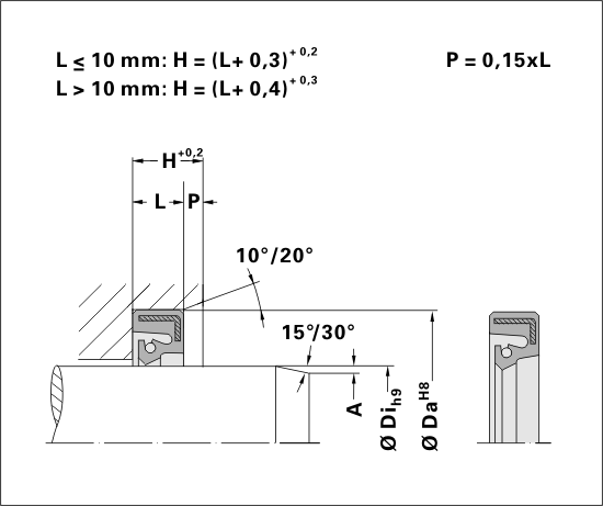
Shaft seal WM5-E

Shaft seal for large and heavy machinery with metal cage vulcanised for better compensation of misalignments.

Application Range
Pressure: ≤ 0,5 bar
Sliding Speed: ≤ 15 m/s (NBR)
Temperature:
-30 °C / +100 °C (+120)* (NBR)
-40 °C / +150 °C (+175)* (HNBR)
-50 °C / +200 °C (+250)* (VMQ)
-20 °C / +200 °C (+250)* (FKM)
* temporarily

Other materials are available for very high or very low operating temperatures. For detailled information, please look at the specific PDF catalogue or contact our application engineers.

Load product catalog

Are you missing materials or dimensions?

Feel free to contact us!

Our sealing experts will be happy to advise you!

+49(201)86606-0 or vk@techno-parts.de